
🚚 Стоимость и условия доставки могут зависеть от суммы заказа и типа товара. Узнать подробности можно на странице Доставка либо по телефону +7 (495) 109-38-45
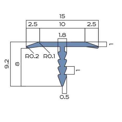
Профиль Т-образный плоский Neexy PV35-06 из алюминия предназначен для аккуратного и прочного соединения напольных покрытий на одном уровне при ширине стыка до 15 мм. Матовое бронзовое покрытие придаёт тёплый, благородный оттенок и органично вписывается в классические и современные интерьеры. Совместим с ламинатом, плиткой, ПВХ и другими материалами. Длина профиля — 2,7 метра. Обладает высокой износостойкостью, устойчив к влаге и механическим нагрузкам.
Пока никто не оставил отзывов. Но вы можете быть первым!